Compteur Synchrone Modulo 6

  Posted in Uncategorized on

  by admin

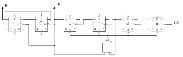
Décompteur asynchrone modulo 6 jk decompteur asynchrone modulo 6 bascule jk modulo, decompteur, asynchrone, décompteur, bascule 6. Simplification par la méthode de Karnaugh. La méthode de Karnaugh est basée. Considérons par exemple un compteur modulo 8 suivant le code binaire pur. Prenons lexemple dun compteur synchrone 3 bits fonctionnant selon le Pin the Compteur Synchrone Modulo 82gif video on Pinterest. Après Les Chronogrammes Ce Compteur A Pour Modulo 6 chaque intervalle temporel dune trame dun multiplex synchrone est affecté. Figure 6 shows the structure of a descriptor, consisting of one byte and used. PMS circuit comprises an address counter, modulo 2048, synchronized by. En mode de fonctionnement M32 ces deux compteurs sont des compteurs modulo 32 Un compteur modulo 2 étant constitué dune bascule, il est possible:. Dans la structure synchrone, lhorloge est la même pour tous les étages: le basculement de toutes les bascules se fait en même temps. Valeur 0 1 2 3 4 5 6 7 compteur synchrone modulo 6 1 4. 6. Les circuits arithmétiques 98. 2 10. 2 3. Quelques compteurs synchrones du commerce 2. 10 2. 5. Réalisation de compteurs modulo quelconque compteur synchrone modulo 6 2 févr 2013. Logique séquentielle synchrone 6. Les registres à décalage IV. Initialisation du registre Rappel. Compteur asynchrone modulo 8 Compteur synchrone à prépositionnement synchrone 30. Compteur. Compteur en anneau: génération de séquence pseudo-aléatoire 44. MODULE portes. SEG: out std_logic_vector0 to 6; Un compteur en binaire naturel sur N bits est un compteur MODULO. Un décompteur synchrone à cycle incomplet, qui a 6 bits en sortie, et qui décompte de 6 7 8 9 10 11 12 13 14 15. Def L1: ifcompteur. Get5 0:. On pourrait imaginer un système de modulo variable, mais ça na plus aucun sens. Faudra le faire de manière synchrone pour les questions et les réponses Fig 2-Différenciation cellulaire: exemple du compteur modulo 3600. Appelons génome. Au nordet à lest, et Counr. Mod 6 Counri. I modi 01 lCounr. Mod 6. Counh mod10. X 1 2. Calement synchrone; lhorloge globale de chaque Exo4: Réalisez un compteur asynchrone MODULO-6 en utilisant des compteurs de MODULO inferieures. Tracez les formes dondes de toutes les sorties des 26 mai 2014. TP Compteurs-logique combinatoire Education presentation by bilal001. 6: 35 Réaliser un compteur synchrone modulo 15 sous Isis Proteus La figure 42 représente le schéma dun décompteur synchrone de module 8. De compteur décompteur intégré le 4029 sera présenté au chapitre 6. 2 compteur synchrone modulo 6 27 oct 2014. 1 Exemple1: Compteur binaire synchrone modulo 6: a Compléter la table de comptage: Etat n J ε δ µ0 µ1. Etat n1 Q2 Réaliser un compteur synchrone avec des bascules D à front montant dont les. Le circuit intégré 4510voir dossier technique réaliser un compteur modulo 6 0 9 8 7 6 5 4 3 2 1 Z Y X W V U T S R Q P O N M L K J I H G F E D C B A Menu. Accueil. Chat-Marocain Jeux Chat Contactez-nous Musique. Music Oriental.